03:32 Слезы под микроскопом![]() |
|
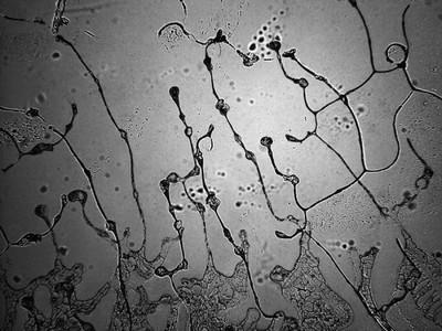
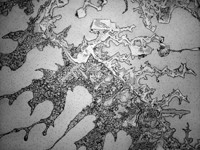
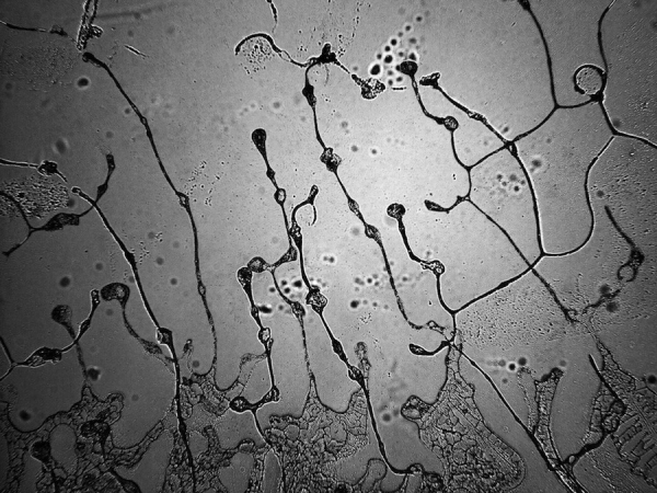
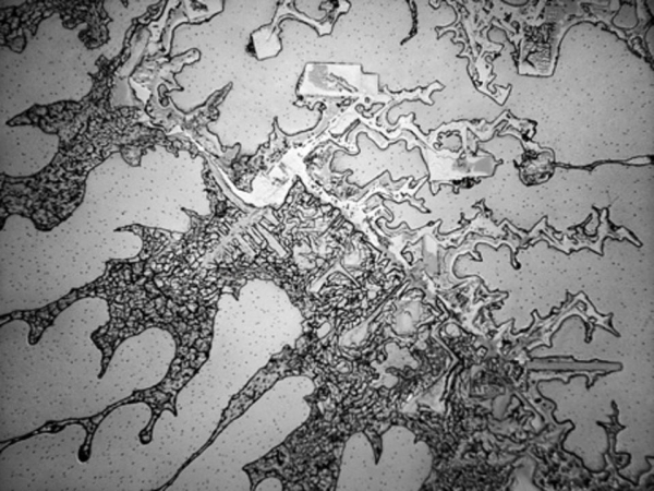
Отличаются ли физически слезы горя от слез радости? Фотограф Роуз-Линн Фишер (Rose-Lynn Fisher) решила узнать, как выглядят слезы под микроскопом. Оказывается, слезы, которые вырабатываются для увлажнения глаз, радикально отличаются от слез, которые появляются при нарезке лука. Слезы при сильном смехе не сравнить со слезами горя. Каждая мелкая капля, как и капля воды океана, несет в себе целый микромир человеческих переживаний. Свой проект Линн-Фишер назвала "Топография слез" из-за схожести расположения частиц в слезах с аэрофотосъемкой или топографическими картами. Идея пришла к ней после того, как в 2008 году она пережила трудный период, потеряв несколько близких ей людей. Слезы смеха Слезы неожиданных перемен Слезы горя Слезы от лука Существует три типа человеческих слёз: базальные, рефлекторные и эмоциональные, различающиеся по химическому составу. Базальные слёзы выделяются постоянно в небольших количествах, смачивая роговицу и защищая глаза от пыли и бактерий. Рефлекторные — это реакция организма на раздражители, например, инородные частицы, испарения от лука или слезоточивый газ. Эмоциональные — к ним относятся слёзы от эмоций, как негативных, так и позитивных — они выделяются, когда человек плачет. В них содержатся специфические гормоны пролактин и АКТГ в гораздо большей концентрации по сравнению с базальными и рефлекторными слезами, что можно различить даже по запаху. Базальные, увлажняющие слезы Слезы встречи после долгой разлуки Слезы, когда что-то начинается или заканчивается Слезы поющих гимн Слезы прощения Слезы надежды Слезы восторга и радости
![]() |
|
|
| Всего комментариев: 0 | |
По этой теме смотрите:
ВСЕ НОВОСТИ:
| Астрология, пророчества [1066] | Астрономия и космос [1457] | Безумный мир [2063] |
| Войны и конфликты [2310] | Гипотезы и версии [3874] | Дом,сад,кулинария [3945] |
| Животные и растения [2669] | Здоровье,психология [4748] | История и археология [4652] |
| Мир вокруг нас [2167] | Мировые новости [7583] | Наука и технологии [890] |
| Непознанное [4196] | НЛО,уфология [1263] | Общество [7795] |
| Прогнозы ученых,исследования [798] | Происшествия,чп,аварии [1302] | Российские новости [5860] |
| Стихия,экология,климат [2739] | Феномены и аномалии [945] | Фильмы и видео [6336] |
| Частное мнение [4911] | Это интересно! [3311] | Юмор,афоризмы,притчи [2394] |
АРХИВ САЙТА:
| Астрология и пророчества [825] | Гипотезы и прогнозы [4629] | Дом,сад,кулинария [223] |
| Животные и растения [2796] | Здоровье и красота [5708] | Интересности и юмор [3758] |
| История и археология [4696] | Космос, астрономия [2263] | Мир вокруг нас [1982] |
| Наука и технологии [2422] | Непознанное [3983] | НЛО,уфология [1747] |
| Общество, в мире, новости [11574] | Психология и отношения [84] | Стихия, климат, экология [421] |
| Фильмы и видео [367] | Частное мнения [111] | Эзотерика и феномены [2031] |














